| Sign In | Join Free | My ecer.com.ru |
|
Brand Name : JiaMinAVTech
Model Number : JM-STR31-155-40LCD
Certification : CE,FCC,ROHS
Place of Origin : China
MOQ : 10PCS
Price : 8.5~11USD/PCS
Payment Terms : T/T
Supply Ability : 100000PCS per month
Delivery Time : 2~40 days
Packaging Details : standard
Data Rate : 155M unidirectional
Wavelenth : 1310nm
Distance : 40KM
Fiber Mode : 9/125µm SMF
Fiber Interface : 1xLC
JM-STR31-155-40LCD SFP optical transceiver includes two parts--the transmitter(JM-ST31-155-40LCD) and Receiver(JM-SR31-155-40LCD).
JM-STR31-155-20LCD SFP optical transceiver Features
1,Up to 155Mb/s dual data links
2,Hot-pluggable SFP footprint
3,1310nm FP laser transmitter
4,Duplex LC connector
5,Up to 40km on 9/125µm SMF
6,Metal enclosure for lower EMI
7,Single +3.3V power supply
8,Low power dissipation <600mW
9,Commercial operating temperature range: 0°C to +70°C
Applications:
1,155Mb/s 1000Base-SX Ethernet
2,100M b/s Fibre Channel
Descriptions
JM-STR31-155-40LCD Small Form Factor Pluggable (SFP) transceivers are compatible with the Small Form Factor Pluggable Multi-Sourcing Agreement (MSA). They simultaneously comply with 100Mb Ethernet as specified in IEEE STD 802.3 and 1x Fibre Channel as defined in FC-PI-2 Rev. 10.0 .They are RoHS compliant and lead-free.
| I. Pin Descriptions | ||||
| Pin | Symbol | Name/Description | Ref. | |
| 1 | VeeT | Transmitter Ground (Common with Receiver Ground) | 1 | |
| 2 | TX Fault | Transmitter Fault. | ||
| 3 | TX Disable | Transmitter Disable. Laser output disabled on high or open. | 2 | |
| 4 | MOD_DEF(2) | Module Definition 2. Data line for Serial ID. | 3 | |
| 5 | MOD_DEF(1) | Module Definition 1. Clock line for Serial ID. | 3 | |
| 6 | MOD_DEF(0) | Module Definition 0. Grounded within the module. | 3 | |
| 7 | Rate Select | No connection required | ||
| 8 | LOS | Loss of Signal indication. Logic 0 indicates normal operation. | 4 | |
| 9 | VeeR | Receiver Ground (Common with Transmitter Ground) | 1 | |
| 10 | VeeR | Receiver Ground (Common with Transmitter Ground) | 1 | |
| 11 | VeeR | Receiver Ground (Common with Transmitter Ground) | 1 | |
| 12 | RD- | Receiver Inverted DATA out. AC Coupled | ||
| 13 | RD+ | Receiver Non-inverted DATA out. AC Coupled | ||
| 14 | VeeR | Receiver Ground (Common with Transmitter Ground) | 1 | |
| 15 | VccR | Receiver Power Supply | ||
| 16 | VccT | Transmitter Power Supply | ||
| 17 | VeeT | Transmitter Ground (Common with Receiver Ground) | 1 | |
| 18 | TD+ | Transmitter Non-Inverted DATA in. AC Coupled. | ||
| 19 | TD- | Transmitter Inverted DATA in. AC Coupled. | ||
| 20 | VeeT | Transmitter Ground (Common with Receiver Ground) | 1 | |
Notes:
MOD_DEF(0) pulls line low to indicate module is plugged in.

Pinout of Connector Block on Host Board
| II. Absolute Maximum Ratings | ||||||||||||||
| Parameter | Symbol | Min | Typ | Max | Unit | Ref. | ||||||||
| Maximum Supply Voltage | Vcc | -0.5 | +4.0 | V | ||||||||||
| Storage Temperature | TS | -45 | +90 | °C | ||||||||||
| Case Operating Temperature | TOP | 0 | +70 | °C | ||||||||||
| Relative Humidity | RH | 0 | 85 | % | 1 | |||||||||
| III. Electrical Characteristics (TOP=25°C, Vcc=3.3Volts) | ||||||||||||||
| Parameter | Symbol | Min | Typ | Max | Unit | Ref. | ||||||||
| Supply Voltage | Vcc | 3.00 | 3.60 | V | ||||||||||
| Supply Current | Icc | 180 | 300 | mA | ||||||||||
| Transmitter | ||||||||||||||
| Input differential impedance | Rin | 100 | Ω | 2 | ||||||||||
| Single ended data input swing | Vin, pp | 250 | 1200 | mV | ||||||||||
| Transmit Disable Voltage | VD | Vcc – 1.3 | Vcc | V | ||||||||||
| Transmit Enable Voltage | VEN | Vee | Vee+ 0.8 | V | ||||||||||
| Transmit Disable Assert Time | 10 | us | ||||||||||||
| Receiver | ||||||||||||||
| Single ended data output swing | Vout, pp | 300 | 400 | 800 | mV | 3 | ||||||||
| Data output rise time | tr | 1500 | ps | 4 | ||||||||||
| Data output fall time | tf | 1500 | ps | 4 | ||||||||||
| LOS Fault | VLOS fault | Vcc – 0.5 | VccHOST | V | 5 | |||||||||
| LOS Normal | VLOS norm | Vee | Vee+0.5 | V | 5 | |||||||||
| Deterministic Jitter Contribution | RXΔDJ | 80 | ps | 6 | ||||||||||
| Total Jitter Contribution | RXΔTJ | 122.4 | ps | |||||||||||
Notes:
| IV. Optical Characteristics (TOP=25°C, Vcc=3.3 Volts) | ||||||
| Parameter | Symbol | Min | Typ | Max | Unit | Ref. |
| Transmitter | ||||||
| Output Opt. Power | PO | -20 | - | -14 | dBm | 1 |
| Optical Wavelength | λ | 1274 | 1310 | 1356 | nm | |
| Spectral Width | σ | - | - | 3 | nm | |
| Optical Rise/Fall Time | tr/tf | - | - | 1500 | ps | 2 |
| Deterministic Jitter Contribution | TXΔDJ | - | - | 0.07 | UI | 3 |
| Total Jitter Contribution | TXΔTJ | - | - | 0.007 | UI | |
| Optical Extinction Ratio | ER | 9 | - | - | dB | |
| Receiver | ||||||
| Average Rx Sensitivity | RSENS | - | - | -34 | dBm | 4 |
| Maximum Received Power | RXMAX | 0 | - | - | dBm | |
| Optical Center Wavelength | λC | 1260 | - | 1600 | nm | |
| LOS De-Assert | LOSD | - | - | -34 | dBm | |
| LOS Assert | LOSA | -50 | - | - | dBm | |
| LOS Hysteresis | 0.5 | - | - | dB | ||
Notes:
| V. Diagnostics | ||||||||||||
| Parameter | Range | Accuracy | Unit | Calibration. | ||||||||
| Temperature | 0 to +70 | ±3 | ºC | Internal | ||||||||
| Voltage | 0 to Vcc | ±3% | V | Internal | ||||||||
| Bias Current | 0 to 80 | ±10% | mA | Internal | ||||||||
| Tx Power | -20 to -14 | ±3 | dBm | Internal | ||||||||
| Rx Power | -34 to 0 | ±3 | dBm | Internal | ||||||||
| VI. General Specifications | ||||||||||||
| Parameter | Symbol | Min | Typ | Max | Units | Ref. | ||||||
| Data Rate | BR | - | - | 155 | Mb/sec | 1 | ||||||
| Bit Error Rate | BER | - | - | 10-12 | 2 | |||||||
| Max. Supported Link Length on 9/125μm SMF @ OC-3 | LMAX | - | - | 40 | Km | 3 | ||||||
Notes:
| VII. Environmental Specifications |
HD Commercial Temperature SFP transceivers have an operating temperature range from 0°C to +70°C case temperature.
| Parameter | Symbol | Min | Typ | Max | Units | Ref. |
| Case Operating Temperature | Top | 0 | +70 | °C | ||
| Storage Temperature | Tsto | -45 | +90 | °C |
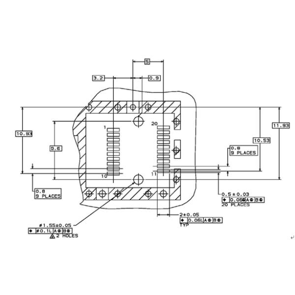
JM’s Small Form Factor Pluggable (SFP) transceivers are compatible with the dimensions defined by the SFP Multi-Sourcing Agreement (MSA).

| IX. PCB Layout and Bezel Recommendations |



|
|
155M 1310nm SFP transceiver module over 1 single mode fiber to 40KM Images |